उत्पादनहरू
API जाँच भल्भ
  • API जाँच भल्भAPI जाँच भल्भ

API जाँच भल्भ

Jinqiu भल्भ उच्च गुणस्तर API चेक भल्भ ASME, API, र GB मापदण्डहरू पूरा। उन्नत सीएनसी मेसिनिङ सेन्टरहरू र धातु काट्ने उपकरणहरूले सुसज्जित, कम्पनीले उत्पादन डिजाइन र निर्माणमा CAD/CAM टेक्नोलोजी प्रयोग गर्दछ, ISO9001 मापदण्डहरूको पालना गर्दै यसको API चेक भल्भ भागहरूको शुद्धता र गुणस्तर सुनिश्चित गर्न।

Jinqiu Valve, चीनमा एक पेशेवर चेक भल्भ निर्माता, हाम्रो API चेक भल्भहरू पूर्णतया अमेरिकी मापदण्डहरू अनुसार डिजाइन र निर्माण गरिएका छन्। यी भल्भहरू एक सौन्दर्य रूपले मनमोहक संरचना र उन्नत प्रविधिको विशेषता छन्। API चेक भल्भहरू ब्याकफ्लो रोक्नको लागि माध्यमको प्रवाहमा आधारित भल्भ डिस्कलाई स्वचालित रूपमा खोल्छन् र बन्द गर्छन्। तिनीहरूलाई एक-तर्फी भल्भ, चेक भल्भ वा ब्याकफ्लो भल्भको रूपमा पनि चिनिन्छ। तिनीहरूको मुख्य कार्यहरू माध्यमको ब्याकफ्लो रोक्न, पम्प र ड्राइभ मोटर रिभर्सल रोक्न, र कन्टेनर भित्र माध्यमको चुहावट रोक्न हो।


1. कम प्रवाह प्रतिरोध: जब API चेक भल्भ पूर्ण रूपमा खुला छ, प्रवाह मार्ग लगभग अबाधित छ, एक कम दबाव ड्रप परिणाम।
2. द्रुत बन्द र ब्याकफ्लो रोकथाम: भल्भ डिस्कको लीभर कार्यले ब्याकफ्लोको सुरुवातमा पनि द्रुत प्रतिक्रिया र बन्द गर्न अनुमति दिन्छ।
3. फराकिलो उपयुक्तता: DN50 देखि DN1200 र माथिको पाइप व्यासको विस्तृत दायराको लागि उपयुक्त।

प्रदर्शन मापदण्डहरू

क्रम संख्या परियोजना नाम प्यारामिटर
1 नाममात्र दबाव PN (MPa) 150LB 300LB 600LB 900LB 1500LB 2500LB
2.0 5.0 10.0 15.0 25.0 42.0
2 शेल शक्ति परीक्षण दबाव कोठाको तापमानमा नाममात्र दबाव 1.5 पटक
3 उच्च दबाव सील परीक्षण दबाव कोठाको तापमानमा नाममात्र दबाव १.१ पटक
4 कोठाको तापमानमा काम गर्ने दबाब ASME B16.34 दबाब र तापमान मूल्याङ्कन थिच्नुहोस्

उत्पादन विशिष्टताहरू

डिजाइन मानकहरू संरचना लम्बाइ फ्ल्यान्ज जडान आकार परीक्षण र निरीक्षण दबाव र तापमान सन्दर्भ
API6D/ASME B16.34 ASME B16.10 ASME B16.5 API598/API6D ASME B16.34

मुख्य भाग सामाग्री

भाग नाम सामग्रीको नाम
शरीर A216 WCB A217 WC6 A351 CF8 A351 CF8M A351 CF3 A351 CF3M
टोपी A216 WCB A217 WC6 A351 CF8 A351 CF8M A351 CF3 A351 CF3M
भल्भ प्लेट A216 WCB A217 WC6 A351 CF8 A351 CF8M A351 CF3 A351 CF3M
सील सतह 13Cr/STL STL शरीर / STL शरीर / STL शरीर / STL शरीर / STL
वाल्व शाफ्ट A182 F6a A182 F11 A182 F304 A182 F316 A182 F304L A182 F316L
ग्यास्केट लचिलो ग्रेफाइट लचिलो ग्रेफाइट लचिलो ग्रेफाइट लचिलो ग्रेफाइट लचिलो ग्रेफाइट लचिलो ग्रेफाइट
बोल्ट A193 B7 A193 B16 A193 B8 A193 B8M A193 B8 A193 B8M
नट A194 2H A194 4 A194 8 A194 8M A194 8 A194 8M
सञ्चालन तापमान -29 ~ 425 ℃ -29 ~ 540 ℃ -46 ~ 425 ℃ -46 ~ 425 ℃ -46 ~ 425 ℃ -46 ~ 425 ℃
उपयुक्त मिडिया भाप भाप कमजोर संक्षारक कमजोर संक्षारक कमजोर संक्षारक कमजोर संक्षारक

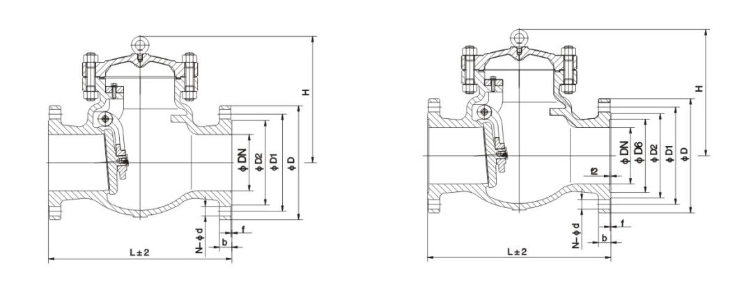
मुख्य आकार र जडान आयाम

नाममात्र व्यास आकार
m मा L D D1 D2 b f n-Φd H
H44H-150Lb
50 2 203 152 120.5 92 16 1.6 ४-१९ 180
80 3 241 192 152.5 127 19 1.6 ४-१९ 190
100 4 297 229 190.5 157 24 1.6 ८-१९ 203
125 5 330 254 216 186 24 1.6 ८-२२ 229
150 6 356 279 241.5 216 26 1.6 ८-२२ 257
200 8 495 342 298.5 270 29 1.6 ८-२२ 292
250 10 622 406 362 324 31 1.6 १२-२५ 355
300 12 698 483 432 381 32 1.6 १२-२५ 396
H44H-300Lb
50 2 267 165 127 92 23 1.6 ८-१९ 178
80 3 318 210 168.5 127 29 1.6 ८-२२ 216
100 4 356 254 200 157 32 1.6 ८-२२ 241
125 5 400 279 235 186 35 1.6 ८-२२ 267
150 6 444 318 270 216 37 1.6 १२-२२ 305
200 8 533 381 330 270 42 1.6 १२-२५ 368
250 10 622 445 387 324 48 1.6 १६-२९ 394
300 12 711 521 451 381 51 1.6 १६-३२ 445
H44H-600Lb
50 2 295 165 127 92 33 6.4 ८-१९ 203
80 3 359 210 168 127 36 6.4 ८-२२ 235
100 4 435 273 216 157 45 6.4 ८-२५ 286
125 5 511 330 266.5 186 52 6.4 ८-२९ 292
150 6 562 356 292 216 55 6.4 १२-२९ 330
200 8 664 419 349 270 63 6.4 १२-३२ 381
250 10 791 510 432 324 71 6.4 १६-३५ 457
300 12 842 559 489 381 74 6.4 २०-३५ 584

संरचना चित्र

हट ट्यागहरू: API चेक भल्भ, चीन, अनुकूलित, गुणस्तर, टिकाउ, उन्नत, निर्माता, आपूर्तिकर्ता, कारखाना, स्टकमा
सोधपुछ पठाउनुहोस्
सम्पर्क जानकारी
  • ठेगाना

    नम्बर १, उत्तर पहिलो रोड, स्टेनलेस स्टील न्यू टाउन, लेकोंग स्टील वर्ल्ड वेस्ट रोड, शुन्डे जिल्ला, फोशान शहर, गुआंग्डोंग प्रान्त, चीन

  • टेलिफोन

    +86-757-28788895

  • इ-मेल

    jinqiufamen@gmail.com

गेट भल्भ, ग्लोब भल्भ र चेक भल्भ वा मूल्य सूची बारे सोधपुछको लागि, कृपया हामीलाई तपाईंको इमेल छोड्नुहोस् र हामी 24 घण्टा भित्र सम्पर्कमा हुनेछौं।

X
हामी तपाईंलाई राम्रो ब्राउजिङ अनुभव प्रदान गर्न, साइट ट्राफिक विश्लेषण र सामग्री निजीकृत गर्न कुकीहरू प्रयोग गर्छौं। यो साइट प्रयोग गरेर, तपाईं कुकीहरूको हाम्रो प्रयोगमा सहमत हुनुहुन्छ। गोपनीयता नीति
अस्वीकार गर्नुहोस् स्वीकार गर्नुहोस्