उत्पादनहरू
स्विङ चेक भल्भ
  • स्विङ चेक भल्भस्विङ चेक भल्भ

स्विङ चेक भल्भ

Jinqiu भल्भले गुणस्तरीय स्विङ चेक भल्भ निर्माण गर्छ, एक स्वचालित भल्भ जसलाई एकतर्फी भल्भ वा चेक भल्भ पनि भनिन्छ। यसको कार्य भनेको पाइपलाइनमा रहेको माध्यमलाई एक दिशामा प्रवाह गर्न अनुमति दिँदै, पछाडि बग्नबाट रोक्नु हो। यसले पाइपलाइन प्रणालीलाई क्षति पुर्‍याउने ब्याकफ्लो (फिर्ता प्रवाह) लाई प्रभावकारी रूपमा रोक्छ। भल्भले माध्यमको प्रवाह र बलद्वारा यसको खोल्ने र बन्द गर्ने कम्पोनेन्टहरू खोल्छ वा बन्द गर्दछ मध्यमलाई पछाडि बग्नबाट रोक्न।
Jinquan Valve is a high-tech enterprise integrating valve product research, production, sales, and service. As an H44H and H44Y type PN16 ~ PN250 swing check valves supplier, our customized swing check valves are suitable for pressures of 1.6 ~ 25MPa, working temperatures of -29 ~ +550 ℃, and are applicable to pipeline conditions in the petroleum, chemical, pharmaceutical, fertilizer, power industries, and other environments. Applicable media include water, oil, steam, acidic media, and so on. We have been operating in the valve manufacturing field for over twenty years. With our experience, we have won high praise from the market for our reasonable prices, high quality, and attentive service.

1. स्वचालित खोल्ने र बन्द गर्ने: स्विङ चेक भल्भ मिडिया प्रवाहको बलको आधारमा स्वचालित रूपमा खुल्छ र बन्द हुन्छ। जब मिडिया निर्दिष्ट दिशामा बग्छ, भल्भ डिस्क खोलिन्छ, र भल्भ खुल्छ। जब मिडिया प्रवाह वा ब्याकफ्लो रोक्छ, भल्भ डिस्क यसको आफ्नै वजन वा वसन्त बल अन्तर्गत बन्द हुन्छ, ब्याकफ्लो रोक्छ। कुनै म्यानुअल अपरेशन आवश्यक छैन, स्वचालित नियन्त्रण प्राप्त गर्दै।
2. भरपर्दो सील: भल्भ डिस्क र सिटको सील सतहहरू सामान्यतया वेल्डेड फलाम-आधारित मिश्र धातु वा स्टेलाइट कोबाल्ट-आधारित कडा मिश्र धातुबाट बनेका हुन्छन्, जुन पहिरन-प्रतिरोधी, गर्मी-प्रतिरोधी, जंग-प्रतिरोधी छ, र राम्रो स्क्र्याच प्रतिरोध छ। यसले दीर्घकालीन स्थिर सील प्रभाव सुनिश्चित गर्दछ र प्रभावकारी रूपमा मिडिया चुहावट रोक्छ। 3. अबाधित प्रवाह च्यानल: प्रवाह च्यानल तर्कसंगत डिजाइन गरिएको छ, कम तरल प्रतिरोध को परिणामस्वरूप। मिडिया स्विङ चेक भल्भ मार्फत सजिलै पास गर्न सक्छ, दबाव हानि र ऊर्जा खपत कम गर्न।

प्रदर्शन मापदण्डहरू

मोडेल H44H-16C~250 H44W-16P~250
कामको दबाब (MPa) १.६~२५
उचित तापमान (℃) ≤425 ≤५५०
उपयुक्त मिडिया पानी, भाप, तेल कमजोर संक्षारक माध्यम
सामग्री शरीर, बोनेट, डिस्क कार्बन स्टील क्रोम निकल टाइटेनियम स्टेनलेस स्टील
सील सतह कार्बन स्टील सतह फलाम आधारित मिश्र धातु शरीर सिल गरिएको छ

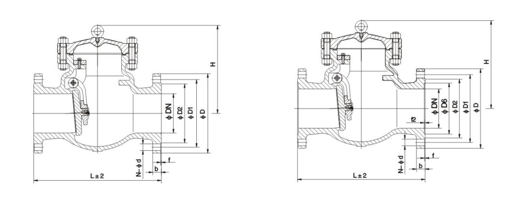
मुख्य आकार र जडान आयाम

नाममात्र व्यास DN मुख्य आयामहरू र जडान आयामहरू
L D D1 D2 b Z-d H
H44H-16C H44W-16C H44W-16P H44W-16R H44W-16I
25 160 115 85 65 16 ४-१४ 100
32 180 135 100 78 16 ४-१८ 105
40 200 145 100 85 16 ४-१८ 115
50 230 160 125 100 16 ४-१८ 135
65 290 180 145 120 18 ४-१८ 142
80 310 195 160 135 20 ८-१८ 165
100 350 215 180 155 20 ८-१८ 180
125 400 245 210 185 22 ८-१८ 210
150 480 280 240 210 24 ८-२३ 233
200 500 335 295 265 26 १२-२३ 304
250 550 405 355 320 30 १२-२५ 348
300 650 460 410 375 30 १२-२५ 390
350 750 520 470 435 34 १६-२५ 430
400 850 580 525 485 36 १६-३० 468
H44H-25 H44W-25 H44W-25P H44W-25R H44W-25I
25 160 115 85 65 16 ४-१४ 100
32 180 135 100 78 16 ४-१८ 105
40 200 145 110 85 16 ४-१८ 115
50 230 160 125 100 20 ४-१८ 160
65 290 180 145 120 22 ८-१८ 175
80 310 195 160 135 22 ८-१८ 185
100 350 230 190 160 24 ८-२३ 220
125 400 270 220 188 28 ८-२५ 248
150 480 300 250 218 30 ८-२५ 276
200 550 360 310 278 34 १२-२५ 350
250 650 425 370 332 36 १२-३० 410
300 750 485 430 390 40 १६-३० 430
350 850 550 490 448 44 १६-३४ 518
400 950 610 550 505 48 १६-३४ 560

संरचना चित्र

हट ट्यागहरू: स्विङ चेक भल्भ, चीन, अनुकूलित, गुणस्तर, टिकाउ, उन्नत, निर्माता, आपूर्तिकर्ता, कारखाना, स्टकमा
सोधपुछ पठाउनुहोस्
सम्पर्क जानकारी
  • ठेगाना

    नम्बर १, उत्तर पहिलो रोड, स्टेनलेस स्टील न्यू टाउन, लेकोंग स्टील वर्ल्ड वेस्ट रोड, शुन्डे जिल्ला, फोशान शहर, गुआंग्डोंग प्रान्त, चीन

  • टेलिफोन

    +86-757-28788895

  • इ-मेल

    jinqiufamen@gmail.com

गेट भल्भ, ग्लोब भल्भ र चेक भल्भ वा मूल्य सूची बारे सोधपुछको लागि, कृपया हामीलाई तपाईंको इमेल छोड्नुहोस् र हामी 24 घण्टा भित्र सम्पर्कमा हुनेछौं।

X
हामी तपाईंलाई राम्रो ब्राउजिङ अनुभव प्रदान गर्न, साइट ट्राफिक विश्लेषण र सामग्री निजीकृत गर्न कुकीहरू प्रयोग गर्छौं। यो साइट प्रयोग गरेर, तपाईं कुकीहरूको हाम्रो प्रयोगमा सहमत हुनुहुन्छ। गोपनीयता नीति
अस्वीकार गर्नुहोस् स्वीकार गर्नुहोस्