उत्पादनहरू
जीबी मानक ग्लोब भल्भ
  • जीबी मानक ग्लोब भल्भजीबी मानक ग्लोब भल्भ

जीबी मानक ग्लोब भल्भ

उच्च गुणस्तर र अनुकूलित J41H, J41Y, र J41W प्रकार GB मानक ग्लोब भल्भहरू चीनको व्यावसायिक भल्भ निर्माता JQF भल्भद्वारा निर्मित छन्। तिनीहरूको खोल्ने र बन्द गर्ने भागहरू बेलनाकार भल्भ डिस्कहरू हुन्, र सील सतह या त समतल वा शंक्वाकार हुन्छ। भल्भ डिस्क तरल केन्द्र रेखा संग रैखिक रूपमा सर्छ। GB मानक ग्लोब भल्भहरू पूर्ण रूपमा खुला वा पूर्ण रूपमा बन्द गरिएका अनुप्रयोगहरूको लागि मात्र उपयुक्त छन् र सामान्यतया प्रवाह नियमनका लागि प्रयोग गरिँदैन, तर प्रवाह नियमन र थ्रोटलिङ ग्राहकको आवश्यकता अनुसार गर्न सकिन्छ।
Foshan Jinqiu Valve Co., Ltd. is a manufacturing factory integrating valve R&D, manufacturing, sales, and service. Our durable GB standard globe valves are specifically designed for oxygen pipelines, ensuring safe, stable, and efficient operation. Made from high-quality materials and undergoing rigorous degreasing and cleaning processes, these valves effectively prevent combustion risks and guarantee reliable sealing performance.

स्टकमा रहेको GB मानक ग्लोब भल्भ PN1.6-PN16 को दबाव दायरा र DN15-DN400 को आकारका लागि उपयुक्त छ, तिनीहरू सधैं धातु विज्ञान, रसायन, चिकित्सा ग्यास, र ऊर्जा उद्योगहरूमा प्रयोग गरिन्छ।

संरचनात्मक सुविधाहरू

हामी यसको उच्च-गुणस्तर GB मानक ग्लोब भल्भ र उत्कृष्ट ग्राहक सेवाको साथ समयसँग तालमेल राख्दै उत्कृष्टतालाई निरन्तरता दिन्छौं र पछ्याउँछौं! हामी सक्रिय रूपमा उन्नत उपकरणहरू, उद्यम व्यवस्थापन, र प्राविधिक सेवा कर्मचारीहरू परिचय गर्छौं, उच्च गुणस्तरको घरेलू र अन्तर्राष्ट्रिय भल्भ ब्रान्ड निर्माण गर्न प्रयास गर्दै। हामी नयाँ र पुराना ग्राहकहरूलाई हाम्रा सुविधाहरू भ्रमण गर्न र निरीक्षण गर्न, पारस्परिक लाभको लागि सहयोग गर्न, र संयुक्त रूपमा राम्रो भविष्य सिर्जना गर्न स्वागत गर्दछौं!

कार्यकारी मानक

डिजाइन विनिर्देशहरू: GB / T 12235
संरचना लम्बाइ: GB / T 12221
फ्ल्यान्ज जडान: JB / T 79
परीक्षण र निरीक्षण: JB / T 9002
उत्पादन पहिचान: GB / T 12220
डेलिभरी विनिर्देशहरू: JB / T 7928

सुविधाहरू

1. सुव्यवस्थित र अनुकूलित संरचना: एक सरलीकृत डिजाइनले 30% द्वारा घटक निर्माण र उपकरण मर्मत दक्षता सुधार गर्दछ। 2. तत्काल खोल्ने र बन्द गर्ने नियन्त्रण: माइक्रो-स्ट्रोक संरचना डिजाइनले प्रति चक्र 0.8 सेकेन्डको खोल्ने र बन्द गर्ने प्रतिक्रिया गति प्राप्त गर्दछ। 3. लामो-स्थायी सील प्रणाली: सेल्फ-लुब्रिकेटिङ सील सतह टेक्नोलोजीले घर्षणको अति कम गुणांक प्राप्त गर्दछ; कम्पोजिट सीलिंग तहमा 50,000 खोल्ने र बन्द गर्ने चक्रहरू भन्दा बढि उमेरको विरोधी आयु हुन्छ।

प्रदर्शन मापदण्डहरू

मोडेल J41H-16C~160C J41Y-16C~160C J41W-16P~160P
कामको दबाब (MPa) 1.6-16.0
उचित तापमान (℃) ≤425 ≤१५०
उपयुक्त मिडिया पानी, भाप, तेल कमजोर संक्षारक माध्यम
सामग्री शरीर, बोनेट कार्बन स्टील क्रोम निकल टाइटेनियम स्टेनलेस स्टील
वाल्व स्टेम क्रोम स्टेनलेस स्टील क्रोम निकल टाइटेनियम स्टेनलेस स्टील
सील सतह फलाम आधारित मिश्र सतह सतह कठोर मिश्र धातु शारीरिक सामग्री
भर्ने एस्बेस्टोस ग्रेफाइट, लचिलो ग्रेफाइट, PTFE

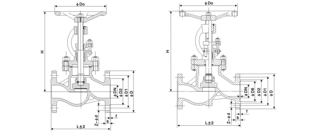
मुख्य आकार र जडान आकार

नाममात्र व्यास मुख्य आयामहरू र जडान आयामहरू
L D D1 D2 b Z-d H D0
J41H-16C
15 130 95 65 45 १४-२ ४-Φ१४ 170 120
20 150 105 75 55 १४-२ ४-Φ१४ 190 140
25 160 115 85 65 १४-२ ४-Φ१४ 205 160
32 180 135 100 78 १६-२ ४-Φ१८ 270 180
40 200 145 110 85 १६-३ ४-Φ१८ 310 200
50 230 160 125 100 १६-३ ४-Φ१८ 358 240
65 290 180 145 120 १८-३ ४-Φ१८ 373 240
80 310 195 160 135 २०-३ 8-Φ18 435 280
100 350 215 180 155 २०-३ 8-Φ18 500 300
125 400 245 210 185 २२-३ 8-Φ18 614 320
150 480 280 240 210 २४-३ ८-Φ२३ 674 360
200 600 335 295 265 २६-३ 12-Φ23 811 400
250 650 405 355 320 ३०-३ 12-Φ25 969 450
300 750 460 410 375 ३०-३ 12-Φ25 1145 580
350 850 520 470 435 ३४-४ 16-Φ25 1280 640
400 980 580 525 485 ३६-४ 16-Φ30 1452 640
J41H-25C
15 130 95 65 45 १६-२ ४-Φ१४ 170 120
20 150 105 75 55 १६-२ ४-Φ१४ 190 140
25 160 115 85 65 १६-२ ४-Φ१४ 205 160
32 180 135 100 78 १८-२ ४-Φ१८ 270 180
40 200 145 110 85 १८-३ ४-Φ१८ 310 200
50 230 160 125 100 २०-३ ४-Φ१८ 358 240
65 290 180 145 120 २२-३ 8-Φ18 373 240
80 310 195 160 135 २२-३ 8-Φ18 435 280
100 350 230 190 160 २४-३ ८-Φ२३ 500 300
125 400 270 220 188 २८-३ 8-Φ25 614 320
150 480 300 250 218 ३०-३ 8-Φ25 674 360
200 600 360 310 278 ३४-३ 12-Φ25 811 400
250 650 425 370 332 ३६-३ 12-Φ30 969 450
300 750 485 430 390 ४०-४ 16-Φ30 1145 580
350 850 550 490 448 ४४-४ 16-Φ34 1280 640
400 980 610 550 505 ४८-४ 16-Φ34 1452 640

संरचना चित्र

हट ट्यागहरू: GB मानक ग्लोब भल्भ, चीन, अनुकूलित, गुणस्तर, टिकाउ, उन्नत, निर्माता, आपूर्तिकर्ता, कारखाना, स्टकमा
सोधपुछ पठाउनुहोस्
सम्पर्क जानकारी
  • ठेगाना

    नम्बर १, उत्तर पहिलो रोड, स्टेनलेस स्टील न्यू टाउन, लेकोंग स्टील वर्ल्ड वेस्ट रोड, शुन्डे जिल्ला, फोशान शहर, गुआंग्डोंग प्रान्त, चीन

  • टेलिफोन

    +86-757-28788895

  • इ-मेल

    jinqiufamen@gmail.com

गेट भल्भ, ग्लोब भल्भ र चेक भल्भ वा मूल्य सूची बारे सोधपुछको लागि, कृपया हामीलाई तपाईंको इमेल छोड्नुहोस् र हामी 24 घण्टा भित्र सम्पर्कमा हुनेछौं।

X
हामी तपाईंलाई राम्रो ब्राउजिङ अनुभव प्रदान गर्न, साइट ट्राफिक विश्लेषण र सामग्री निजीकृत गर्न कुकीहरू प्रयोग गर्छौं। यो साइट प्रयोग गरेर, तपाईं कुकीहरूको हाम्रो प्रयोगमा सहमत हुनुहुन्छ। गोपनीयता नीति
अस्वीकार गर्नुहोस् स्वीकार गर्नुहोस्