उत्पादनहरू
स्टेनलेस स्टील ग्लोब भल्भ
  • स्टेनलेस स्टील ग्लोब भल्भस्टेनलेस स्टील ग्लोब भल्भ

स्टेनलेस स्टील ग्लोब भल्भ

टिकाउ J41H, J41Y, J41W स्टेनलेस स्टील ग्लोब भल्भ JQF भल्भ द्वारा उत्पादित। यसको खोल्ने र बन्द गर्ने भाग एक बेलनाकार भल्भ फ्ल्याप हो, सीलिंग सतह समतल वा शंक्वाकार हुन्छ, र भल्भ फ्ल्याप तरल पदार्थको केन्द्र रेखाको साथ रैखिक रूपमा सर्छ। स्टेनलेस स्टील कट-अफ भल्भ पूर्ण खोल्न र पूर्ण बन्दको लागि मात्र उपयुक्त छ। यो सामान्यतया प्रवाह दर समायोजन गर्न प्रयोग गरिदैन। अनुकूलित हुँदा यसलाई समायोजित र थ्रोटल गर्न सकिन्छ।
Foshan Jinqiu भल्भ कं, LTD। डिजाइन, विकास, निर्माण, बिक्री, र सेवा एकीकृत गर्ने उच्च गुणस्तरको स्टेनलेस स्टील ग्लोब भल्भ निर्माता हो। हाम्रा मुख्य उत्पादनहरूमा विभिन्न नियन्त्रण भल्भहरू, इलेक्ट्रिक भल्भहरू, वायमेटिक भल्भहरू, सोलेनोइड भल्भहरू, म्यानुअल भल्भहरू, एक्चुएटरहरू, र भल्भ सामानहरू समावेश छन्।
हाम्रो स्टेनलेस स्टील ग्लोब भल्भ स्टेनलेस स्टील कास्ट बडी, दुबै छेउमा फ्ल्याङ्ग जडानहरू, र गेट भल्भ संरचना भएको गेट भल्भ हो। यसको मुख्य कार्य प्रवाहलाई ठीकसँग विनियमित गर्नु वा पाइपलाइनहरूमा मध्यमलाई विश्वसनीय रूपमा बन्द गर्नु हो।
यसको उत्कृष्ट जंग प्रतिरोध र भरपर्दो सील प्रदर्शनको कारण, यो रासायनिक, पेट्रोकेमिकल, खाना, र औषधि उद्योगहरूमा संक्षारक मिडिया वा उच्च-सफाई अनुप्रयोगहरूको लागि रुचाइएको भल्भहरू मध्ये एक भएको छ।
Customers trust JQF valves' high quality, reliable performance, and good and comprehensive customer service. We will continue to innovate to provide first-class valve solutions.

1. सरल संरचना: स्टेनलेस स्टील ग्लोब भल्भको डिजाइन सरल छ, जसले निर्माण र मर्मतसम्भारलाई सुविधाजनक र कुशल बनाउँछ।
2. द्रुत प्रतिक्रिया: छोटो काम गर्ने स्ट्रोकले अत्यन्त छिटो भल्भ खोल्न र बन्द गर्न अनुमति दिन्छ।
3. टिकाऊ सील: उत्कृष्ट सील प्रभाव, न्यूनतम घर्षण प्रतिरोध, र लामो सेवा जीवन।

कार्यकारी मानक

डिजाइन विनिर्देशहरू: GB / T 12235
संरचना लम्बाइ: GB / T 12221
फ्ल्यान्ज जडान: JB / T 79
परीक्षण र निरीक्षण: JB / T 9002
उत्पादन पहिचान: GB / T 12220
डेलिभरी विनिर्देशहरू: JB / T 7928

प्रदर्शन प्यारामिटरहरू

मोडेल J41H-16C~160C J41Y-16C~160C J41W-16P~160P
कामको दबाब (MPa) 1.6-16.0
उचित तापमान (℃) ≤425 ≤१५०
उपयुक्त मिडिया पानी, भाप, तेल कमजोर संक्षारक माध्यम
सामग्री शरीर, बोनेट कार्बन स्टील क्रोम निकल टाइटेनियम स्टेनलेस स्टील
वाल्व स्टेम क्रोम स्टेनलेस स्टील क्रोम निकल टाइटेनियम स्टेनलेस स्टील
सील सतह फलाम आधारित मिश्र सतह सतह कठोर मिश्र धातु शारीरिक सामग्री
भर्ने एस्बेस्टोस ग्रेफाइट, लचिलो ग्रेफाइट, PTFE

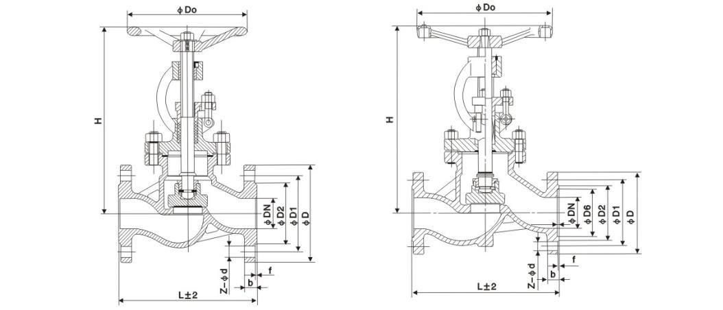
मुख्य आकार र जडान आकार

नाममात्र व्यास मुख्य आयामहरू र जडान आयामहरू
L D D1 D2 b Z-d H D0
J41H-16C
15 130 95 65 45 १४-२ ४-Φ१४ 170 120
20 150 105 75 55 १४-२ ४-Φ१४ 190 140
25 160 115 85 65 १४-२ ४-Φ१४ 205 160
32 180 135 100 78 १६-२ ४-Φ१८ 270 180
40 200 145 110 85 १६-३ ४-Φ१८ 310 200
50 230 160 125 100 १६-३ ४-Φ१८ 358 240
65 290 180 145 120 १८-३ ४-Φ१८ 373 240
80 310 195 160 135 २०-३ 8-Φ18 435 280
100 350 215 180 155 २०-३ 8-Φ18 500 300
125 400 245 210 185 २२-३ 8-Φ18 614 320
150 480 280 240 210 २४-३ ८-Φ२३ 674 360
200 600 335 295 265 २६-३ 12-Φ23 811 400
250 650 405 355 320 ३०-३ 12-Φ25 969 450
300 750 460 410 375 ३०-३ 12-Φ25 1145 580
350 850 520 470 435 ३४-४ 16-Φ25 1280 640
400 980 580 525 485 ३६-४ 16-Φ30 1452 640
J41H-25C
15 130 95 65 45 १६-२ ४-Φ१४ 170 120
20 150 105 75 55 १६-२ ४-Φ१४ 190 140
25 160 115 85 65 १६-२ ४-Φ१४ 205 160
32 180 135 100 78 १८-२ ४-Φ१८ 270 180
40 200 145 110 85 १८-३ ४-Φ१८ 310 200
50 230 160 125 100 २०-३ ४-Φ१८ 358 240
65 290 180 145 120 २२-३ 8-Φ18 373 240
80 310 195 160 135 २२-३ 8-Φ18 435 280
100 350 230 190 160 २४-३ ८-Φ२३ 500 300
125 400 270 220 188 २८-३ 8-Φ25 614 320
150 480 300 250 218 ३०-३ 8-Φ25 674 360
200 600 360 310 278 ३४-३ 12-Φ25 811 400
250 650 425 370 332 ३६-३ 12-Φ30 969 450
300 750 485 430 390 ४०-४ 16-Φ30 1145 580
350 850 550 490 448 ४४-४ 16-Φ34 1280 640
400 980 610 550 505 ४८-४ 16-Φ34 1452 640

संरचना चित्र

हट ट्यागहरू: स्टेनलेस स्टील ग्लोब भल्भ, चीन, अनुकूलित, गुणस्तर, टिकाउ, उन्नत, निर्माता, आपूर्तिकर्ता, कारखाना, स्टकमा
सोधपुछ पठाउनुहोस्
सम्पर्क जानकारी
  • ठेगाना

    नम्बर १, उत्तर पहिलो रोड, स्टेनलेस स्टील न्यू टाउन, लेकोंग स्टील वर्ल्ड वेस्ट रोड, शुन्डे जिल्ला, फोशान शहर, गुआंग्डोंग प्रान्त, चीन

  • टेलिफोन

    +86-757-28788895

  • इ-मेल

    jinqiufamen@gmail.com

गेट भल्भ, ग्लोब भल्भ र चेक भल्भ वा मूल्य सूची बारे सोधपुछको लागि, कृपया हामीलाई तपाईंको इमेल छोड्नुहोस् र हामी 24 घण्टा भित्र सम्पर्कमा हुनेछौं।

X
हामी तपाईंलाई राम्रो ब्राउजिङ अनुभव प्रदान गर्न, साइट ट्राफिक विश्लेषण र सामग्री निजीकृत गर्न कुकीहरू प्रयोग गर्छौं। यो साइट प्रयोग गरेर, तपाईं कुकीहरूको हाम्रो प्रयोगमा सहमत हुनुहुन्छ। गोपनीयता नीति
अस्वीकार गर्नुहोस् स्वीकार गर्नुहोस्